設備的充氧效率和動力效率較普通微孔曝氣設備有所提高,并且維修簡便,可以在不影響正常運行(不停水、不停止供氣)的情況下,進行檢修、更換損壞的曝氣器,實用可靠。
產品規格:Φ65
技術參數:水深:4.5m;服務面積:2m2/m;通氣量:8m/m.h;氧利用率:30.36%;動力效率:6.24kgO2/kw.h;供氧量:0.68kgO2/h;阻力損失:3600pa;氣孔密度:14000~15000個/m;行程氣泡直徑:0.5~5mm.
膜片式微孔曝氣器
該裝置曝氣氣泡直徑小,氣液界面直徑小,氣液界面積大,氣泡擴散均勻,不會產生孔眼堵塞,耐腐蝕性強,經上海同濟大學環境工程學院和中國市政工程華北設計院進行清水和污水充氧測試,并經50多家用戶多年使用效果良好(較常規產品固定螺旋曝氣器,散流曝氣器和穿孔管曝氣器能耗降低40%,或增加污水處理量40%)。特別適用于城市污水和大型工廠新建擴建和老曝氣池改造,且曝氣池可間歇運行。
淺析搖臂微孔曝氣器與動態曝氣器的對比
除了上面所講的氣泡直徑、氧利用率、是否易堵塞等不同之處外,兩者還有以下幾個不同點:
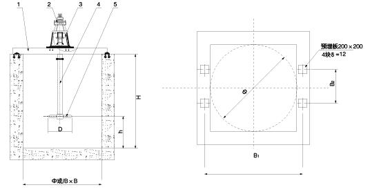
安裝方式
搖臂微孔曝氣器為可活動式安裝,當曝氣器需要更換或檢修時,可用提升機將曝氣器從水中à?出來,在池面進行施工檢修,不影響同池其他曝氣器的工作,不需要停池凈水,檢修成本低,工作量少。
動態曝氣器為固定式安裝,一經?安裝完成后,便不可以移動,如果某間曝氣池需要檢修,就必須停止該池的運行,并且將池內的污水和淤泥等雜物清除后,方可施工,檢修成本較高。
耐用性
搖臂式微孔曝氣器的失效形式主要有以下3種:①鋼制布氣管生銹后產生氧化鐵以及污水和空氣中的雜物會造成曝氣管內堵,曝氣管內氣流分布不均勻,使曝氣管抖動,而產生疲勞損壞;②曝氣管安裝在管接頭上,在曝氣管抖動和污水腐蝕的雙重作用下,管接頭易從根部折斷,污水的腐蝕還會造成布氣管壁減薄穿孔;③水下搖臂活動關節長期浸泡在水中,可能會因為生銹等原?因而無法轉動,從而使得曝氣器不能正常提升到水面。以上3種失效形式,經?過近年來的新技術的應用,已經?得到很大的改善,使得曝氣器的使用壽命可達5年左右。
動態曝氣器的失效形式則有:由于疲勞或腐蝕等原?因,曝氣頭各部件(如圓罩、旋混筒、旋混圈等)之間的連接件斷裂或松脫,而造成曝氣頭解體或脫落;配氣管斷裂;配氣管一般采用UPVC等非金屬管材,管子與管子,管子與管件多用膠水粘連,一旦粘接不牢,容易從粘連處脫落和漏氣。這3種失效形式一般可以通過合理選型,正確選材,嚴把質量關等方法來避免。因此,這種曝氣器的使用壽命較長,可達8~10年。
實際應用
搖臂式微孔曝氣器因為有氧利用率高、檢修方便等優點,較多應用在生產負荷較重、污水水質較惡劣的一級生化系統;固定式動態曝氣器則因為有氧利用率稍低但可以長期保持,檢修困難但使用壽命長的特點,一般應用在生產負荷較低,污水水質較好的二級生化系統。
