
;
ZPBDPؚCmڳˮԼNIˮ̎ĊWϹˇσȵˮwMг
Yԭ
ԓOPSʽؚOÿKPƬɃɂAεıPƬ÷mcSزSϣPƬܲKAΰӺͨ;bSDӲӱPƬ_ʼDˮMг֔ͻ;ڱPƬӎˮwĿ՚,оĶ߳
Ҫc
1bòʽ늙CÈAFAX݆pٙCX݆ӲXгвYoweСp\ƽc
2ÏNXʽSfŤweСSһďͽǶ`b
3PƬ;۱ϩߏp|䓉ƳͣЏȸߡgԺá͟Ժõȃc
4β{Sм΄֧Կ˷b`Ԅ{aDSزsC\С
5DPؓɼS{]ˮ׃
̖f

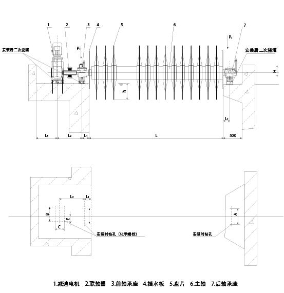
ҪgͰbߴ

μbAD

010-57273188
13552615499
;
ZPBDPؚCmڳˮԼNIˮ̎ĊWϹˇσȵˮwMг
Yԭ
ԓOPSʽؚOÿKPƬɃɂAεıPƬ÷mcSزSϣPƬܲKAΰӺͨ;bSDӲӱPƬ_ʼDˮMг֔ͻ;ڱPƬӎˮwĿ՚,оĶ߳
Ҫc
1bòʽ늙CÈAFAX݆pٙCX݆ӲXгвYoweСp\ƽc
2ÏNXʽSfŤweСSһďͽǶ`b
3PƬ;۱ϩߏp|䓉ƳͣЏȸߡgԺá͟Ժõȃc
4β{Sм΄֧Կ˷b`Ԅ{aDSزsC\С
5DPؓɼS{]ˮ׃
̖f
ҪgͰbߴ
μbAD