
用途
LSF型砂水分離器適用于城鎮污水處理廠沉砂池的砂水處理,它主要與旋流沉砂池除砂機或橋式吸砂機配套使用,將排出的砂水混合液作進一步分離。
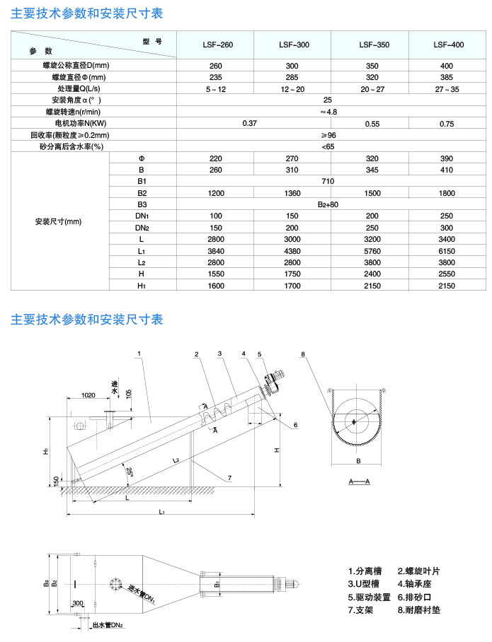
結構及工作原理
該設備采用無軸螺旋式,砂水混合液從分離器上部輸入,砂礫在砂水分離槽內靠重力沉降,并利用無軸螺旋體的旋轉,將砂礫沿25°的U型槽逐漸推至出口處,落入接料筒后外運,分離水則從分離槽溢流口排出,以改善操作環境和利于外運。
主要特點
1、驅動裝置采用軸裝式平行軸斜齒輪式減速機,結構緊湊,運行平穩安全。
2、粒徑大于0.2mm的顆粒分離后的回收率可達96%。
3、u型槽內設有內襯,耐磨性能強、使用壽命長、更換簡便。
4、整機為全封閉操作,環境條件較好,機架采用膨脹螺栓固定,無需預埋件。
5、該設備可與配套設備進行聯動控制,控制方便,也可自行配套就地控制箱。
型號說明

